6.6KV HXGN-12 RING MAIN UNIT RMU
HXGN-12.This product is our company introduced advanced technology and a new generation of high voltage electrical products in accordance with the requirements of domestic rural and urban network renovation ,designed and developed. The strict type test and long-term operation of the examination, the technical performance indicators all meet IEC298 and GB2906 standards. The operating mode is divided into manual and electric.
Description
6.6KV HXGN-12 RING MAIN UNIT RMU
Ring Main Unit is a set of distribution of electrical equipment (high voltage switchgear) in a metal or nonmetal insulation made assembling interval type Ring network cabinet put oneself in another's position inside or the electrical equipment of the power supply Unit, its core part USES the load switch and fuse, has the advantages of simple structure, small volume, low price, can improve the power supply parameters and performance and safety, etc. It is widely used in urban residential areas, high-rise buildings, large public buildings, factories and other load center power stations and box-type substations.
Environmental Conditions
- Suitable Altitude: 1000m ~ 4000m
- Suitable Temperature: -40℃ ~ +45℃
- Relative Humidity: Daily mean ≤95%, monthly mean ≤90%
- Gradation of Earthquake Damage: ≤ Level 8
Technical Data
| No. | Item | Unit | Data |
| 1 | Rated voltage | KV | 12 |
| 2 | Rated current | A | Load break switch: 630 Circuit breaker: 630,1250,1600,2000,2500,3150 |
| 3 | Rated short-circuit current | KA | Combination units: 50 Circuit breaker: 20,25,31.5,40 |
| 4 | Rated peak withstand current | KA | Primary system: 50,63,80,100 |
5 | Short-time withstand current(4s) | KA | Load break switch: 20 |
| 6 | Insulation: Power frequency/Lightning | KV | 42/75 |
| 7 | Protection class | IP4X | |
| 8 | Optional load break switch | FN3, FN5, FN7,FN12,FZN,FKN-12 etc. | |
| 9 | Optional circuit breaker | ZN28,ZN63A(VS1),VD4 etc. | |
| 10 | Optional load break switch | FLN36,SFL,SFG etc. | |
| 11 | Operating mechanism | Spring mechanism | |
| 12 | Operational power supply | V | DC:110,220; AC:110,220 |
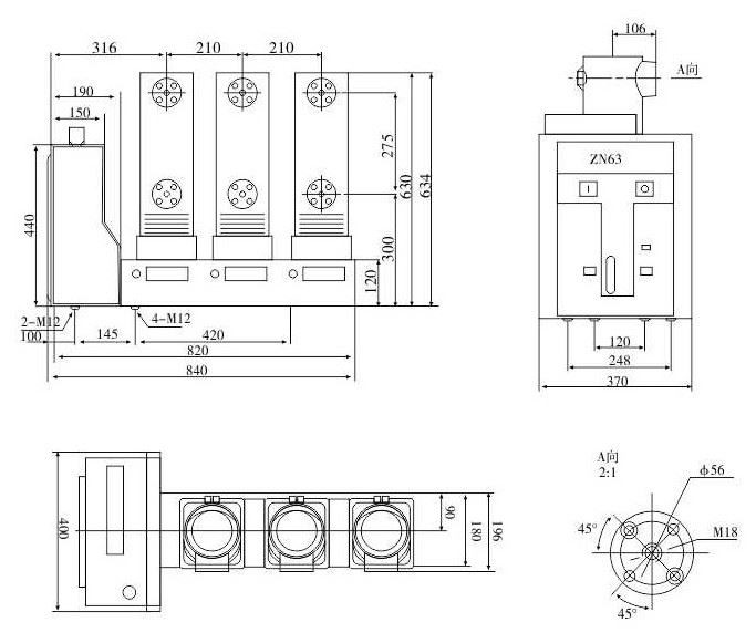
| 13 | Overall dimension(Width*Depth*Height) | mm | (800,1000)x1200x1800(2200) |
| 14 | Weight | KG | 500~1000 |






PRODUCTION LINE

EXHIBITION

CERTIFICATE




COMPANY OVERVIEW

FAQ
Q5 : Is OEM/ODM available?
A: Yes, it is! Our products can be Customized. We have design and engineer teams,we can customize products according to customers' drawing or requirements.
Q6 : You are manufacturer or trading company?
A: We are factory, As a 100% professional manufacturer with 20 year's manufacturer experience, we could produce products according to customers' requirements and we could also control the quality of products 100%.
Q7 : Can the price be negotiated?
A: Yes, the price is negotiable. It can be changed according to your quantity or package
Q8 : How about inspection?
A: We have the whole inspection system from raw material to end products include temperature rise test,salt spraying test conductor type test,mechanical life test.
Q9 : What is payment terms?
A: T.T, Paypal,Western Union,Alibaba trade assurance and L/C is acceptable. 30% T/T in advance ,70% balance before shipment.
MORE VIDEO
https://www.facebook.com/bob.niu.35/
Youtube
www.youtube.com/channel/UC5IP4dL0UTQG4fgAOa3UhWA
https://twitter.com/FengyuanE
Welcome to inquiry
Contact information:
Jiyuan Fengyuan Electrical Equipment Co., Ltd
Sales Department
Contact person:Mr Charles Du
E-mail:fengyuan800@outlook.com
Mobile:+8618639199897(Available for whatsapp,wechat,skype)
Add:Huling industrial zone,jiyuancity,henan province,China
TEL:+86-0391-2180800
FAX:+86-0391-2180818
Hot Tags: 6.6kv hxgn-12 ring main unit rmu, China, manufacturers, suppliers, customized, Main Distribution Boards, HV industrial switchgear, KYN28 12 armoured removable AC metal, Switchgear Cubicle, Enclosed metal switch cabinet, hv switchgear Switchgear Cabinet












