HXGN-12 15KV Electrical Control Panel Switchgear
The HXGN-12 AC Metal-enclosed Ring Main Unit Switchgear is a new product designed. The technical indicators of the product reaches standard of IEC62271-200 and GB3906. The product is characterized by small volume,light weight,operation flexibility,maintenance convenience, and quality stability & reliability, and it comes out with perfect interlock protection functions and IP3X protection grade, so it is an ideal product for mains grid reconstruction. The product is mainly applicable to 50Hz three-phase AC network for receiving and distributing energy. Mainly applicable in urban power grid construction and renovation project. industrial and mining enterprises.high-rise buildings and communal facilities .For power distribution .controlling and protection on electric equipment as the loop power supply unit or terminal equipment. It also can be installed in Preload substation
Description
PRODUCT DISCRIPTION
The HXGN-12 AC Metal-enclosed Ring Main Unit Switchgear is a new product designed. The technical indicators of the product reaches standard of IEC62271-200 and GB3906. The product is characterized by small volume,light weight,operation flexibility,maintenance convenience, and quality stability & reliability, and it comes out with perfect interlock protection functions and IP3X protection grade, so it is an ideal product for mains grid reconstruction. The product is mainly applicable to 50Hz three-phase AC network for receiving and distributing energy.
Mainly applicable in urban power grid construction and renovation project. industrial and mining enterprises.high-rise buildings and communal facilities .For power distribution .controlling and protection on electric equipment as the loop power supply unit or terminal equipment. It also can be installed in Preload substation
Item | Unit | Data |
Rated voltage | KV | 12 |
Rated current | A | 630,1250,1600,2000,2500,3150,4000 |
Rated short-circuit current | KA | 20,25,31.5,40,50,63 |
Rated peak withstand current | KA | 50,63,80,100,125,160 |
Short-time withstand current(4s) | KA | 20,25,31.5,40,50,63 |
Insulation: Power frequency/Lightning | KV | 42/75 |
Protection class | IP4X | |
Optional circuit breakers | ZN63A(VS1), VD4, VBP, EV12 etc. | |
Operating mechanism | Spring mechanism; Permanent magnetic actuator | |
Operational power supply | V | DC:110,220; AC:110,220 |
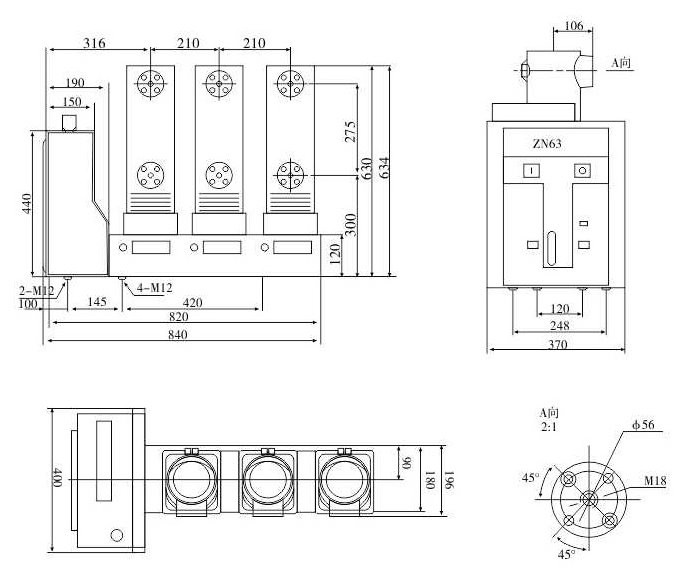
Overall dimension(Width*Depth*Height) | mm | 800(650,1000)x1500(1700)x2300 |
Weight | KG | 800 |







COMPANY PROFILE
Jiyuan Fengyuan Electrical Equipment Co., Ltd was established in 1984 and is a designated enterprise specializing in the production of high and low voltage switch cabinets
by the State Grid Corporation of China.
We have more than 30 years professional experience in high and low voltage complete switchgear cabinet,box type substation,transformer,etc, have CE,ISO, GB,CQC,certificate
Factory directly,Professional manufacturer, All can be customized according to your local requirement
Welcome to inquiry

PRODUCTION LINE & WORKSHOP



CERTIFICATE




PACKING & DELIVERY


EXHIBITION

SERVICE:
We offer free after-sale service for one year
Tips for quote &Placing Order:
The customer shall specify the following items:
♠ Primary circuit scheme and single line system diagram
♠ Secondary circuit schematic diagram, the wires shall be connected according to factory standard if customer has no requirement;
♠ Switchgear arrangement diagram, plan view of electric power substation.
♠ Detailed specification and parameter of electric element of each circuit;
♠ Surface colour of switchgear;
♠ Other requirements.
Trade terms:
1.Payment: 1) 30% in advance, 70% balance against copy of B/L
2.Port of loading: Qingdao port or Lianyungang port
3.Discounts: offered based on order quantities
4.Delivery time: 10-30 days according to order quantities
5.Package: wooden box and wooden pallet and can be csutomized
FAQ
Q1 :I know your quality is perfect but in our market normal quality are more popular what can I do?
A: Please don't worry, we can provide a series of quality of products, you can choose the best one to meet your market,we will try our best to support you. I believe we can provide products meet all your requirements
Q2 :Can I get a sample before the order because I really don't how is your products quality?
A: Of course! We also think sample order is the best way to build trust. We offer free sample service ! Do not hesitate to send inquiry to get the free sample!
Q3 :What's the delivery time? Because we really need them is urgently?
A: 3~7days For sending sample order. .15days for regular order , we will never eat our words.
Q4 :What's the warranty period for your products?
A: For One year warranty.
Q5 : Is OEM/ODM available?
A: Yes, it is! Our products can be Customized. We have design and engineer teams,we can customize products according to customers' drawing or requirements.
Q6 : You are manufacturer or trading company?
A: We are factory, As a 100% professional manufacturer with 20 year's manufacturer experience, we could produce products according to customers' requirements and we could also control the quality of products 100%.
Q7 : Can the price be negotiated?
A: Yes, the price is negotiable. It can be changed according to your quantity or package
Q8 : How about inspection?
A: We have the whole inspection system from raw material to end products include temperature rise test,salt spraying test conductor type test,mechanical life test.
Q9 : What is payment terms?
A: T.T, Paypal,Western Union,Alibaba trade assurance and L/C is acceptable. 30% T/T in advance ,70% balance before shipment.
Q10 : What is the service offered by company?
A: We have the professional engineer team which can design and develop the mold to arrive different customer requirement.
We also have the sales team to offer good service from pre-sale to after-sale.
CONTACT US:
Contact information:
Jiyuan Fengyuan Electrical Equipment Co., Ltd
Sales Department
Contact person:Mr Charles Du
E-mail:fengyuan800@outlook.com
Mobile:+8618639199897(Available for whatsapp,wechat,skype)
Add:Huling industrial zone,jiyuancity,henan province,China
TEL:+86-0391-2180800
FAX:+86-0391-2180818
Hot Tags: hxgn-12 15kv electrical control panel switchgear, China, manufacturers, suppliers, customized, Box Fixed Metal Enclosed Switch Cabinet, metal-clad switchgear, squared high voltage switchgear, KYN28 12 armoured removable AC metal, medium and high voltage switchgear, 10kv Switchgear Cabinet Metal Enclosure













