High Voltage AC Switchgear
KYN28-12 High Voltage AC Switchgear, Metal-Clad AC Enclosed Switchgear KYN28-12 armored central metal enclosed switchgear is a new product developed and designed by us on the basis of absorbing foreign advanced technology. The casing with high mechanical strength is assembled by machining,...
Description
KYN28-12 armored central metal enclosed switchgear is a new product developed and designed by us on the basis of absorbing foreign advanced technology.
The casing with high mechanical strength is assembled by machining, bending, and forming aluminized zinc steel plate through a CNC machine tool, thus ensuring the neat and beautiful product. The door is spray-coated, so it has high impact resistance and corrosion resistance. The protection level of the shell is IP4X.
The main switch can be equipped with ABB's VD4 vacuum circuit breaker, Schneider HVX, C3 series fixed load switch, and can also be equipped with a variety of household vacuum circuit breakers (such as VS1, VH1, VK, ZN28) to replace similar domestic products.
No matter which circuit breaker you choose, the air insulation distance of bare conductors should be greater than 125mm, and the composite insulation distance should be greater than 60mm. The circuit breaker has special advantages: long service life, high parameters, low maintenance, and small size.
Service Conditions
◎ Ambient airtemperature: -15°C~+40°C;
◎ Relative humidity: Daily average 95%,and daily average of water vapor pressure < 2.2kPa;
◎ Monthly average «90%, and monthly verage of water vapor pressure < 1.8kPa;
© Altitude: ^1000m;
◎ Seismic intensity: not beyond Ms8.
◎ Ambient air should be free of pollution of corrosive or flammable gas or vapor;
◎ No obvious vibration;
Features
1: STRICT protection step to ensure personal safety
2: The cable room can be installed as many as 9 single-core cables
3: Operation and testing positions will be established for the handcart, and both positions are equipped with safe and reliable positioning device and display device
4: The enclosure is completely assembled from aluminized and galvanized steel plate, which are machined and bent by machine tool and then bolted.
5: It has high mechanical strength and its neatness and beauty is ensured.
6: The switchboard door is sprayed with plastic, also has strong capacity of impact resistance and corrosion protection.
7: The primary switch may be provided with VD4 vacuum circuit breaker and C3 series of fixed type load switch from ABB, various domestic vacuum circuit breakers (such as VS1, VH1, VK, ZN28) may also be provided in lieu of the same foreign products.
8: Front door is installed with a observation window to check the operating state of the components inside the room
Main technical parameters | |||
Rated voltage | ..................................... | kV | 3.6、7.2、12 |
Rated frequency | ..................................... | Hz | 50 |
Rated current of circuit breaker | ..................................... | A | 630/4000 |
Rated current of switchgear | ..................................... | A | 630/4000 |
Rated short-time withstand current (4S) | ..................................... | kA | 20、25、31.5、40 |
Rated peak withstand current (peak) | ..................................... | kA | 50、63、80、100 |
Rated short-circuit breaking current | ..................................... | kA | 20、25、31.5、40 |
Rated insulation level 1min power frequency withstand voltage | Pole-to-pole, pole-to- ground | kV | 24、32、42 |
Between open contacts | kV | 24、32、48 | |
Lightning impulse withstand voltage (peak) | Pole-to-pole, pole-to- ground | kV | 40、60、75 |
Between open contacts | kV | 46、70、85 | |
The shell is IP4X, and it is IP2X when the compartment door and circuit breaker chamber door are opened | |||
Rated voltage | kV | 12(Can be customized according to local national standards) | |
Rated insulation level | 1min power frequency withstand voltage (effective value) | kV | 42 |
Lightning impulse withstand voltage (peak) | kV | 75 | |
Rated frequency | Hz | 50 | |
Main busbar rated current | A | 630,1250,1600,2000,2500,3150,4000 | |
Branch busbar rated current | A | 630,1250,1600,2000,2500,3150,4000* | |
4 second thermal stable current (RMS) | kA | 16,20,25,31.5,40** | |
Rated dynamic steady current (peak)*** | kA | 40,50,63,80,100 | |
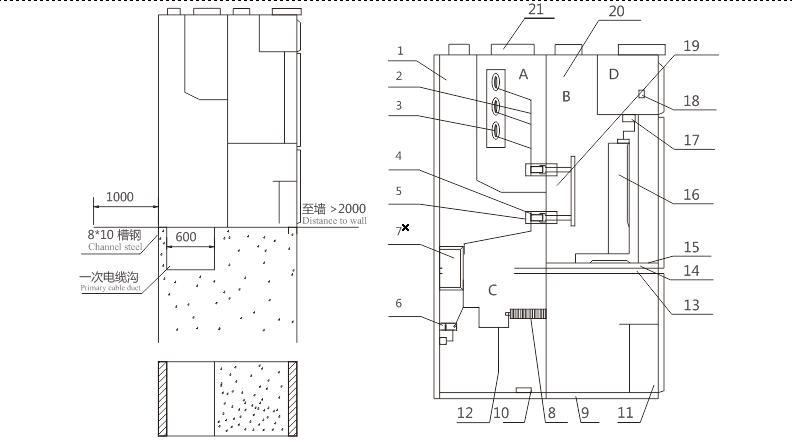
Switchgear Schematic Diagram

PRODUCT PHOTO







FACTORY WORKSHOP

PACKING&DELIVERY


EXHIBITION

FAQ
Q5 : Is OEM/ODM available?
A: Yes, it is! Our products can be Customized. We have design and engineer teams,we can customize products according to customers' drawing or requirements.
Q6 : You are manufacturer or trading company?
A: We are factory, As a 100% professional manufacturer with 20 year's manufacturer experience, we could produce products according to customers' requirements and we could also control the quality of products 100%.
Q7 : Can the price be negotiated?
A: Yes, the price is negotiable. It can be changed according to your quantity or package
Q8 : How about inspection?
A: We have the whole inspection system from raw material to end products include temperature rise test,salt spraying test conductor type test,mechanical life test.
Q9 : What is payment terms?
A: T.T, Paypal,Western Union,Alibaba trade assurance and L/C is acceptable. 30% T/T in advance ,70% balance before shipment.
Q10 : What is the service offered by company?
A: We have the professional engineer team which can design and develop the mold to arrive different customer requirement.
We also have the sales team to offer good service from pre-sale to after-sale.
This product is usually customized.
We are a manufacturer and have a professional technical department that can design and provide solutions according to customer needs.
Please contact our sales personnel to obtain design drawings
Here are our customer examples for your reference
Uzbekistan customer
Datasheet
1.1 710-512-01-MVS1 Main Substation
Incoming Switchgear A01 B01 2
No Components Specification Unit Qty Maker
1 VCB
HVX12-50-31-F 275mm
Altitude ≤2000m
Opening voltage DC220V
Closing voltage DC220V
Energy storage voltage DC220V
Set 1 China
2 VT JDZ-10 10KV/√3/0.1KV/√3 Set 3 China
3 CT
LZZBJ9-12 3000/1A 5P20 10VA
5P20 5VA 5Fs5 5VA
Set 3 China
4 High voltage fuse XRNP1-12 0.5A Pc 3 China
5 Lightning arrester HY5WZ-17/50 Set 3 China
6 Intelligent control panel WY-9008A Pc 1 China
7 Short circuit and ground fault indicator EKL-4-1 Pc 1 China
8 Multifunctional electric instrument PD666-3S3 380V 5A Pc 1 China
9 Primary harmonic eliminator LXQ-12KV Pc 1 Fengyuan
10 Charged display DXN-12Q Pc 1 China
11 Temperature and humidity controller WY-CS-III Pc 1 China
12 Connecting piece JY-2 Pc 3 China
13 Junction box PJ1 Pc 1 China
14 Metering bracket Universal type Pc 1 China
15 Signal lamp ND16-22D/4 AC380V red Pc 1 CHNT
16 Signal lamp ND16-22D/4 AC380V green Pc 1 CHNT
17 Signal lamp ND16-22D/4 AC380V white Pc 1 CHNT
18 AC miniature circuit breaker NB1-63/2P C6A 6kA(R) Pc 2 Fengyuan
19 AC miniature circuit breaker NB1-63/3P C3A 6kA(R) Pc 1 Fengyuan
20 DC miniature circuit breaker NB1Z-63 2P C6 Pc 1 Fengyuan
21 AC miniature circuit breaker NB1-63/3P B2A 6kA(R) Pc 1 China
22 Universal test terminal RURTK/S Pc 30 China
23 Universal terminal block RUK 5B Pc 18 China
24 Cabinet top small bus Ø 6 copper bar m 11 Fengyuan
IF NEED MORE DETAILES,PLEASE FEEL FREE YO CONTACT US
Hot Tags: high voltage ac switchgear, China, manufacturers, suppliers, customized, Metal Enclosed Switchgears, switchgear electrical, 10kv Switchgear Cabinet Metal Enclosure, HV Switch Cabinet, Solid Insulated Metal Enclosed Switchgear, electric power distribution equipment switchgear







